products
Home /Shelving,Racking & Storage Industry Forming Machines /

Shelf Rack Post Roll Forming Machine For C40-50

Shelf Rack Post Roll Forming Machine For C40-50
Shelf Rack Post Roll Forming Machine For C40-50

Shelf Rack Post Roll Forming Machine For C40-50

This  racking upright roll forming machine is an industrial machine to produce multiple profiles of uprights.    

Please Click Here To View The Video

                           

 

                              Shelf Rack Post Roll Forming Machine

 

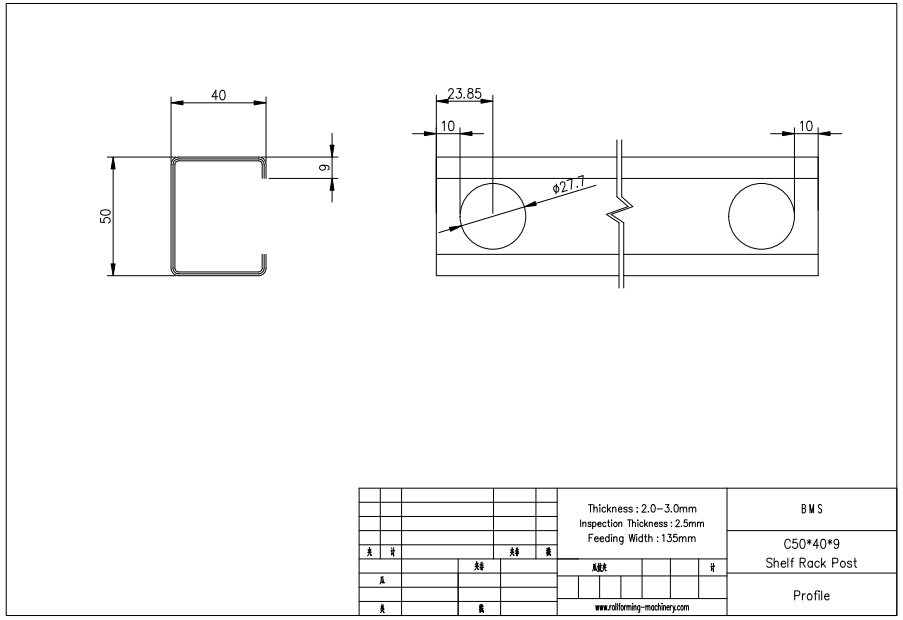
Profile Drawing

 

Material

Material Thickness: 2.0-3.0mm

Application Material: Galvanized sheet & Cold rolled sheet

With Yield Strength: 275-400Mpa

 

Work Flow

 

Decoiler (Prepare by yourself) → Feeding Materail Device → Leveling Device → Roll Forming Machine → Hydraulic 

Post Cutting →  Exit Rack (3M) → Hydraulic System → PLC Control System

Machine Components

1) Decoiler (Provided by yourself)

Manual/ Auto control steel coil inner bore shrinkage and stop 

Max feeding width: 650mm

 

2) Feeding Device

With feeding material guide, body frame made from H450 type steel by welding 

Side wall thickness: Q235 t18mm

Shafts manufatured from #45 steel, Diameter= φ95mm, Tone plated with hard chrome coated, precision machined.

3) Leveling Device

4) Roll Forming Machine

Body frame made from H450 type steel by welding.

Rollers manafucted from Gcr12 steel, heat treatment , HRC58-62.

Shafts Diameter=φ100, precision machined.

Gear / Sprocket driving, about 15-step to form.

Main motor= 18.5 KW, Frequency speed control.

Speed Reduce Motor: K series.

All the screw bolts with grade 8.8 (cheap factories use low grade 4.8) to ensure fix the machine 

structure tightly and long life during the machine long time running.

Main Power 

5) Hydraulic Post Cutting

Post to cut, stop cutting, two pieces type of cutting blade design, no blanking.

Hydraulic motor: 5.5KW, Cutting pressure: 275-400 Mpa

Cutting tool material: Galvanized sheet, Heat treatment to HRC58-62 degree.

The cutting power is provided by the independent engine hydraulic station.

6) Exit Rack (3M)

Un-powered with rollers on it for easy movement.

7) Hydraulic System

8) PLC Control System

Control the quantity and cutting length aumomatically.

Input the production data (Production batch, PCS, Length, etc.) on the touch screen.

It can finish product automatically.

Combined with: PLC, Inverter, Touch Screen, Encoder etc.

9) Product Show 

 

After-sale Service 

1 The warranty is 24 months after the client receives the machine. With the 24 months, we will courier the replacement 

parts to the client free or charge.

2. We offer technical support for the entire life of our machines.

3. We can send our technicians to install and train the workers in the clients' factories with extra cost.

 

Packing Method 

 

Main body of machine is naked and covered by plastic film (to protect of dust and corrosion),loaded into container 

and steadily fixed in container suitable by steel rope and lock, suitable for long-distance transportation.

 

Leave a message
If you are interested in our products and want to know more details,please leave a message here,we will reply you as soon as we can.
Related Products
You may be interested in the following products...

This  racking upright roll forming machine is an industrial machine to produce multiple profiles of uprights.    

Learn More

Steel beam that produced by roll forming nowadays is widely used in container house system, which is more movable, reusable and modular building house.

Learn More

One machine can do many size,size change by PLC control,drive by motor auto change

Learn More

Light Duty Shelf Pillar Roll Forming Machine is make for shelf pillar truss.

Learn More

Heavy Duty Pallet Rack Upright Roll Forming Machine-Warehouse Series is make for shelf upright.

Learn More

AUTO Change Shelf Laminate Deck(Board)Roll Forming Machine use electric motor to auto change width from 350 to 1000mm

Learn More

Single Size Shelf Deck Panel Roll Forming Machine

Learn More

Auto Change Type Box Beam Racking Roll Forming Machine uses electric motor to automatic change width from 80 to 160mm

Learn More

USE Roll Forming Machine to Make Two C Beams Combined to be a Box Beam

Learn More

Use electric motor to auto change width from 350 to 1000mm

Learn More

Shelf Bracket Roll Forming Machine suitable for Light Shelf

Learn More

Single Size Shelf P Pipe Roll Forming Machine(Step Beam Roll Forming Machine)

Learn More

Single Size Shelf C Purlin Roll Forming Machine

Learn More

Single Size Shelf Hat Purlin Roll Forming Machine

Learn More

High Speed Punching Shelf Fastener Line

Learn More

High Speed Punching Shelf Holes Line

Learn More

L Angle Roll Forming Machine With Online Punching

Learn More

Z-Beam Boltless Shelving Roll Forming Machine With Online Punching

Learn More

Heavy Duty Shelf Roll Forming Machine Onling Punching

Learn More
Top
leave a message
If you are interested in our products and want to know more details,please leave a message here,we will reply you as soon as we can.
Submit

home

products

WhatsApp

Company