Lead Time :
45Shipping Port :
Xiamen portpayment :
TT/LCPlease Click Here To View The Video


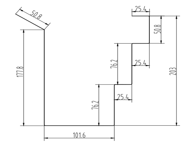
Effective Width:180mm
Material Thickness:0.4-0.5mm
Applicable Material:PPGI
With Yield Strengt:550Mpa
Decoiler→Manual Pre Cutter Device→Feed Guide Device→Rolling Forming System→Hydraulic Post Cutting Device→Exit Rack
Manual control steel coil inner bore shrinkage and stop
Max. feeding width:500mm,Coil ID Range:508±30mm
A left and right guiding device at the main entrance of the machine. During work,Raw materials on both sides of the plate the enter into the machine by the left and right guiding device,make the raw materials and roll forming system to maintain the correct position. The guiding position can be adjusted by the manual screw mechanism,and the left and right can be adjusted independently.

body frame made from H450 type steel by welding
Side wall thickness: Q235 t18mm
Rollers manufactured from 45# Steel,CNC lathes,Heat Treatment,hard Chrome Coated,with thickness 0.04mm,surface with mirror treatment(for longer life and anti-rust)
Shafts Diameter=ф75mm,precision machined
Gear/Sprocket driving,about 24step to form
Main Motor(Polaroid brand)=11KW,Frequency speed control
Speed redcucer motor:R series
Chain: ZIQIANG (by China TOP 1 brand DONGHUA Group)
Chain size: one inch with 18 teeth
All the screw bolts with grade 8.8(cheap factories use low grade 4.8) to ensure fix the machine structure tightly and long life during the machine long time running.
Real forming speed 12-15m/min

Leveling device will make the product more beautiful
Hydraulic motor:4KW;Cutting pressure: 0-16Mpa
Cutting tool material: Cr12Mov(= SKD11 with at least one million times of cutting life), Heat treatment to HRC58-62 degree
The cutting power is provided by the main engine Independent hydraulic station
Control The Quantity And Cutting Length Automatically
Input The Production Data(Production Batch,pcs,Length,etc.)On The Touch Screen ,Combined With: PLC, Inverter, Touch Screen, Encoder, etc

Un-powered, Two units,with rollers on it for easy movement

7) Product Show


1. The warranty is 24 months after the client receives the machine.
Within the 24 months, we will courier the replacement parts to the client free of charge
2. We offer technical support for the entire life of our machines
3. We can send our technicians to install and train the workers in the clients' factories with
extra cost
Terms Of Trade
1.Minimum order quantity (MOQ): 1 Set
2.Delivery time: about 45 workdays
3.Port of loading: port of Xiamen
4.Type of payment: by T/T or by L/C
5.Export:to more than 50 countries and regions, including Taiwan, UK, France, Singapore,
Greece, Australia, USA, Mexico, Brazil, Chile, Bolivia, Trinidad, Israel, Saudi Arabia, etc
Packing Style
Packing method: Main body of machine is naked and covered by plastic film(to protect of dust and corrosion),loaded into container and steadily fixed in container suitable by steel rope and lock, suitable for long-distance transportation.

Dual Machine For YX18-40& YX35-38 Omega Profile (2-in-1), find complete details about Dual Machine, Dual Machine- BMS Machinery
Learn More
Seamlock 760 Roof Panel Roll Forming Machine Which are mostly used in industrial base、factory buildings、a roof of private house and so on.
Learn More
Standing Seam Roll Forming Machine with Low price, light weight, recyclable, simple operation, low maintenance cost.
Learn More
Saving time and funds for our customers. High efficiency, high precision, high speed production. Long service life. Easy to operate.
Learn More
The latest roll forming machines and innovative roll forming systems have been our trademark for decades: with our roll forming technologies we are amongst the world’s market leaders. You benefit from our comprehensive know-how and our flexible roll forming concepts, which we develop and implement to exactly match your requirements.
Learn More
High Productivity & best after-sale service. High-end equipment. Experienced Team. State-of-the-art process. Excellent quality。
Learn More
Professional engineer to commissioning and training. 24 months guarantee. Metal Roll Forming Machine, customized design, competitive price. ISO9001 & CE Certified.
Learn More
Focus On C Purlin Machine Exporting For 20Years, professional manufacturer in China. High quality standard. Efficiency & reilability. Factory price. welcome inquiry! Finest quality. Factory price. Quality Assured. High quality. Factory Direct Sales.
Learn More
Enhance your tile production with efficient corrugated panel roll forming machine available on BMS
Learn More
High efficiency, high precision, low production cost, long service life. Over 20 years focus on flexible roll forming. Saving time and funds for our customers.
Learn More
ISO 9001&CE Verified Downspout Roll Forming Machine, High performance, Competitive Pricing.
Learn More
5 Station Electric Seaming Machine: HOT SALES with Promotion Price USD 1000.00. Stock available for immediate shipment to worldwide.
Learn More
5 Station Electric Seamer for Metal Roofing: HOT SALES with Promotion Price USD 1000.00. Stock available for immediate shipment to worldwide.
Learn More
2 Station DI Roof Seamer Style Electric Roof Seamer: HOT SALES with Promotion Price USD 1990.00. Stock available for immediate shipment to worldwide.
Learn More
USA Type Double Layer Roofing Panel Roll Forming Machine With 12 Meter AUTO Stacker Device (Rib & PBR Profile)
Learn More
AUS Type Double Layer Roofing Panel Roll Forming Machine With 12 Meter AUTO Stacker Device
Learn More
American-style gutter forming machine, compared with bending machine, the forming machine is more efficient, and the forming R angle is beautiful
Learn More
Used as the floors of buildings because of low cost, light weight but high strength, short building period, and re-cycle use
Learn More
Used as the floors of buildings because of low cost, light weight but high strength, short building period, and re-cycle use
Learn More
low cost, easy installation, short building period, re-cycle use, beautiful appearance, and are light weight but high strength.
Learn More
Easy installation, short building period, beautiful appearance and is light weight but high strength.
Learn More
Different roof panel machines can produce different shapes of steel roof, wall sheets according to the clients' profile drawings and requirement. Steel roof, wall sheets are new building materials with various thickness and colors. They have many advantages, such as low cost, easy installation, short building period, re-cycle use, beautiful appearance, and are light weight but high strength. They are used as the roof and walls of gymnasiums, airports, theatres, factories, warehouses, garages, exhibition centers, etc.
Learn More
The complete corrugated roof panel machine line includes decoiler, main machine, computer controlling system and run out tables. Our machines are equipped with a computer controlling system. We simply program the pieces and length we need in the computer and the wave panel machine produces it automatically. The machines are easy to operate and running stable.
Learn More
Corrugated Panel Roll Forming Machine for South Amercian market(like Bolivia),with Taiwan Quality,China Price.
Learn More
Low cost, easy installation, short building period, re-cycle use, beautiful appearance, and are light weight but high strength.
Learn More
We manufacture wide range products of metal sheet cold roll forming machines as follows: purlin forming machine(including C Purlin roll forming machine, Z purlin rolling machine, CZ purline roll forming machine), floor deck roll forming machine, roofing machines (including roof tile making machine/roof tile forming machine
Learn More
The complete glazed tile forming machine line includes decoiler, main machine, computer controlling system and run out tables. Our machines are equipped with a computer controlling system. We simply program the pieces and length we need in the computer and the glazed tile forming machine produces it automatically. The machines are easy to operate and running stable.
Learn More
This Purlin Roll Forming Machine Can Produce different CU60-200 purlin size without changing rollers or spacers.
Learn More
Easy installation, short building period, beautiful appearance and is light weight but high strength.
Learn More
We produces different size of purlin roll forming machine without changing the rollers or gaskets.
Learn More
widely used in many kinds of industrial factory, civilian buildings, and wall board for attached part product.
Learn More
Easy installation, short building period, beautiful appearance and is light weight but high strength.
Learn More
Klip-Lok Roof Panel Roll Forming Machine is Beautiful appearance, light weight and high strength.
Learn More
Corrugated Steel Panel Roll Forming Machine to produce Taiwan Popular corrugated roofing panels or wall panels.
Learn More
The tile roof machine can produce various of tile panel, which are used to construct curvaceous roofs, It can substitute the traditional clayey tile and cement tile and save much land resources. And the raw material can be in different color, with elegant and noble looking.
Learn More
The purlin machine can produce size C50-150 It is widely used as the supporter of roof and wall in large-scale and mid-scale construction,.and our automatic C purlin machines can automatically replacement purlins’ model number.,have a high speed(20M/min). .
Learn More
The advantages of High Quality C Purlin Roll Forming Machine C50-200 when comparing with Traditional Purlin Machines are as follows: 1.Produce different purlin size without changing rollers or spacers. 2.No need changing cutter for different size. 3.Easy operation, low maintenance cost 4.Infinite sizing(any size within machine range),help to save material 5.Optional Punch hole at any position of purlin web side and flange side
Learn More
Incorporate the Taiwan latest features in steel stud and track manufacturing technology with advanced PLC control systemsile).
Learn More
Double Layer Roll Forming Machine can roll form two different roofing profiles without changing anything because it has two layers. Upper and lower can rollform different profiles. Besides,the sea freight for import is saved by 50%.It is popular choice of both new entrepreneurs and established metal building manufacturers. The advantages of Quick Change type Purlin Roll Forming Machine when comparing with Traditional Channel Machines are as follows: 1.Produce different roof panel size in one machine 2.Save space 3.Easy operation, low maintenance cost
Learn More
Roll form two different roofing profiles without changing anything Besides,the sea freight for import is saved by 50%.It is popular choice of both new entrepreneurs and established metal building manufacturers.
Learn More
Double Layer Roll Forming Machine can roll form two different roofing profiles without changing anything because it has two layers. Upper and lower can rollform different profiles. Besides,the sea freight for import is saved by 50%.It is popular choice of both new entrepreneurs and established metal building manufacturers. The advantages of Full Automatic Double Layer Roll Forming Machine are as follows: 1.Produce different roof panel size in one machine 2.Easy operation, low maintenance cost 3.Save space
Learn More
The tile roof machine can produce various of tile panel, which are used to construct curvaceous roofs, It can substitute the traditional clayey tile and cement tile and save much land resources. And the raw material can be in different color, with elegant and noble looking.
Learn More
It incorporate the Taiwan latest features in steel stud and track manufacturing technology with advanced PLC control system. Applicable material: Galvanized steel(GI),prepainted galvanized steel(PPGI),SGCC,SGCH.Yield strength 245Mpa(commercial hard)~550Mpa(full hard, high tensile). The purlin machine can produce size C50-150 It is widely used as the supporter of roof and wall in large-scale and mid-scale construction,.and our automatic C purlin machines can automatically replacement purlins’ model number.,have a high speed(20M/min). .
Learn More
Automatic C75-300 purlin machine can produce different purlin size without changing rollers or spacers.
Learn More
Easy to operate and running stable,Kirby Style,popular in USA,Middle East&Africa,India and South East Asia
Learn More
Multi Profile Trim Roll Former: 1 machine to make 4 trims:Ridge Cap, Gable Trim,L Trim and Corner Trim.Or customized trims or flashings: J-Channel, Snow gaurd, Rake, FJ, V-Valley,W-Valley Eave Trim,Angle Trim, Drip Edge, Z-Trim / Z-BAR
Learn More
Standing Seam Roofing Roll Forming Machine can make 300/400/500/600/700 Width, KALZIP/LYSAGHT/BEMO/KINGSPAN Style available.
Learn More
Downspouts mainly collect roof rain water, which is part of the downspouts system, and concentrate on the rainwater pipes laid below the ground.
Learn More
BMS Machine (formerly named as BRAND FORMING MACHINERY CO.,LTD,BMS is our high quality brand for export market) was established in 1996, a member of BMS Group, which covers an area of more than 30000 square meters. With over 20 years profess...
Longchi Development Area,Zhangzhou Taiwanese Investment Zone,Fujian Province,China.
008613328323529
info@rollforming-machinery.com