Lead Time :
45 workdaysShipping Port :
Xiamen portpayment :
TT/LCPlease Click Here To View The Video

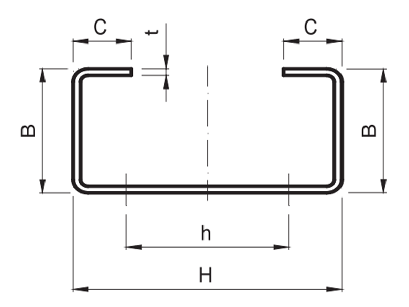
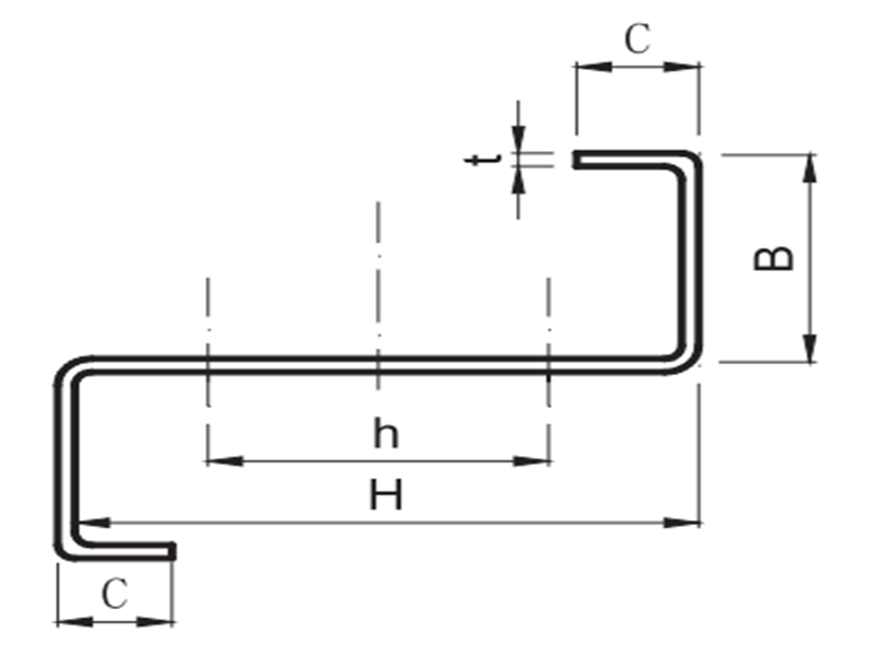
Lip(C):10~25mm
Height(B):C:40~100±0.5mm
Z:49~100mm±0.5mm
Web(H):C:80~300±0.5mm
Z:120~300±0.5mm
Material Thickness(t):1.2-3.2mm
Applicable Material:Galvanized Steel(GI),CRC,HRC
With Yield Strength:550Mpa
Decoiler→Feeding and Leveling Device→Hydrualic Pre-Cutting & Punching Device→Rolling Forming System→Hydraulic Post Cutting→Exit Rack

Hydraulic Control Steel Coil Inner Bore Shrinkage And Stop
Max. Feeding Width:600mm
Coil ID Range:478-538mm,Outside Diameter:1500mm
Max Capacity:5 ton,Motor:3KW, Frequency Speed Control
Add Automatic Feeding Power And Self-Stop Device

2) Feeding And Leveling Device
Up Three Down Four Totally Seven Shafts Leveling Device
With Feeding Material Guide
Body Frame Made From H450 Type Steel By Welding
Side Wall Thickness:Q235 t30mm
Shafts Manufactured From GCr15 Steel(=EN31 Steel),High Frequency
Shafts Diameter=φ105mm
Use Two Electric Motors AUTO Adjust The Material Feeding Width


3) Hydraulic Pre-Cutting&Punching Device
Pre-Punching And Pre-Cutting,Use The Same Hydraulic System
Hydraulic Motor:7.5KW, Hydraulic Pressure Range:0-16Mpa
Punching And Cutting Tool Material:Cr12MoV(=D2 Steel,Heat treatment to HRC58-62 degree
With One Million Times Cutting Life
3-cylinders Hole Punching System For Punching Both On Web And Flange
Slotted Hole:14mmx26mm/16mmx26mm;Round Hole:14/16mm



Body Frame Made From H450 Type Steel By Welding

Side Wall Thickness:Q235 t30mm

Rollers Manufactured From Cr12 Steel, Heat Treatment,HRC58-62

Shafts Diameter=ф80/95,Precision Machined

Gear/Sprocket Driving,About 20-step To Form
Main Motor(Polaroid brand)=22KW,Frequency Speed Control

Use Six Electric Motors To AUTO Change The Size,Motor Power:0.55KW

Post To Cut, Stop To Cutting,Three Pieces Type Of Cutting Blade Design
Hydraulic motor:7.5KW,Cutting pressure: 0-16Mpa
Cutting Tool Material:Cr12MoV(= SKD11 With At Least One Million Times Of Cutting Life),Heat Treatment To HRC58-62 Degree

Control The Quantity And Cutting Length Automatically
Input The Production Data(Production Batch,pcs,Length,etc.)
On The Touch Screen,It Can Finish The Production Automatically.
Combined With: PLC, Inverter, Touch Screen, Encoder, etc
Un-Powered,With Rollers On It For Easy Movement.
Packing method: Main body of machine is naked and covered by plastic film(to protect of dust and corrosion),loaded into container and steadily fixed in container suitable by steel rope and lock, suitable for long-distance transportation.

1. The warranty is 24 months after the client receives the machine.Within the 24 months, we will courier the replacement parts to the client free of charge.
2. We offer technical support for the entire life of our machines.
3. We can send our technicians to install and train the workers in the clients' factories with extra cost.
1.Minimum order quantity (MOQ): 1 Set.
2.Delivery time: about 60 workdays.
3.Port of loading: port of Xiamen.
4.Type of payment: by T/T or by L/C.
5.Export:to more than 50 countries and regions, including Taiwan, UK, France, Singapore,
Greece, Australia, USA, Mexico, India,Brazil, Chile, Bolivia, Trinidad, Israel, Saudi Arabia, etc.